Зомби-клетки: умереть, чтобы жить
Исследователи заявляют, что создали так называемые «зомби»-клетки, которые продолжают работать после того, как умрут. В отличие от классических кино-мертвецов, эти клетки выполняют свои функции даже лучше, чем при жизни.

Если поместить клетки в раствор кремниевой кислоты, они приобретут способность выдерживать гораздо большие температуру и давление, чем живые. Технически это означает, что можно сохранить любой ценный биологический материал, «превратив» его в ископаемое.
Зомби-клетка
Учёные считают, что зомби-клетки могут быть использованы в коммерческом производстве топливных элементов, сенсорных технологий, а в будущем, возможно, и в нанотехнологиях. К сожалению, пока что очень сложно создать подобную структуру в нанометровом масштабе, по крайней мере 3D-структуру подобного рода сделать не удалось.
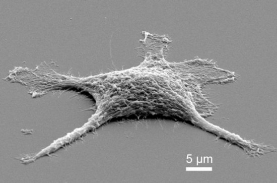
Кремний с древних времен известен своим жёстким свойствами — он содержится, например, в песке и кварце. Когда живые клетки помещаются в кремниевую кислоту, то обретают дополнительную твёрдость. Если же клетки нагреть до 400°С, то органические части испаряются, а остаётся только «слепок» — объёмная копия ранее живой клетки. Для химии и биологии такие зомби-клетки означают возможность создания форм, не только похожих на свои живые эквиваленты, но и способных выполнять их работу.

Если поместить клетки в раствор кремниевой кислоты, они приобретут способность выдерживать гораздо большие температуру и давление, чем живые. Технически это означает, что можно сохранить любой ценный биологический материал, «превратив» его в ископаемое.

Зомби-клетка
Учёные считают, что зомби-клетки могут быть использованы в коммерческом производстве топливных элементов, сенсорных технологий, а в будущем, возможно, и в нанотехнологиях. К сожалению, пока что очень сложно создать подобную структуру в нанометровом масштабе, по крайней мере 3D-структуру подобного рода сделать не удалось.
Кремний с древних времен известен своим жёстким свойствами — он содержится, например, в песке и кварце. Когда живые клетки помещаются в кремниевую кислоту, то обретают дополнительную твёрдость. Если же клетки нагреть до 400°С, то органические части испаряются, а остаётся только «слепок» — объёмная копия ранее живой клетки. Для химии и биологии такие зомби-клетки означают возможность создания форм, не только похожих на свои живые эквиваленты, но и способных выполнять их работу.
Только зарегистрированные и авторизованные пользователи могут оставлять комментарии.

